Answer:
Option A
Explanation:

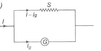
In parallel, current distributes in inverse ratio of resistance
Hence, $\frac{l-l_{g}}{l_{g}}=\frac{G}{S} \Rightarrow S=\frac{GI_{g}}{I-I_{g}}$
As Ig is very small, hence $ S=\frac{GI_{g}}{I}$
$b= \frac{(100)(1\times 10^{-3})}{10}=0.01$ Ω