Answer:
Option B
Explanation:

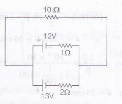
for parallel combination of cells,
$E_{eq}=\frac{\frac{E_{1}}{r_{1}}+\frac{E_{2}}{r_{2}}}{\frac{1}{r_{1}}+\frac{1}{r_{2}}}$
$\therefore$ $E_{eq}=\frac{\frac{12_{}}{1_{}}+\frac{13_{}}{2_{}}}{\frac{1}{1_{}}+\frac{1}{2_{}}}=\frac{37}{2} V$
Potential drop across 10Ω resistance,
V= ($\frac{E}{R_{total}}$) $\times 10$
= $\frac{\frac{37}{3}}{(10+\frac{2}{3})}\times 10=11.56 V$
$\therefore$ V= 11.56V
Alternative Method

Applying KVL,
in Loop ABCDFA,
$-12+10(I_{1}+I_{2})+1\times I_{1}=0$
$\Rightarrow$ $12=11I_{1}-10I_{2}$ .......(i)
Similarly.
in loop ABCDEA,
$-13+10(I_{1}+I_{2})+2\times I_{2}=0$
$\Rightarrow$ $13=10I_{1}+12I_{2}$ ...........(ii)
Solving Eqs. (i) and (ii), we get
$I_{1}=\frac{7}{16}A, I_{2}=\frac{23}{32}A$
Voltage drop across 10Ω resistance is,
$V=10[\frac{7}{16}+\frac{23}{32}]=11.56V$