<<234567>>
21.

Albert Einstein  was  confirmed with the Nobel prize physics for his work on 


A) special theory of relativity

B) Bose-Einstein statistics

C) photoelectric effect

D) general realtivity



22.

In a transistor  circuit, the collector current is changed by 8.9 mA, if the emitter  current is changed to 9.0 mA . The value of current amplification  factor $\beta$ is 


A) 89

B) 92

C) 84

D) 96



23.

A photodiode sensor is used to measure the output of a 300W lamp kept 10 m away. The sensor has an opening of 2 cm in diameter. How many photons enter the sensor if the wavelength of the light is 660 nm and the exposure time is 100 ms.(Assume that all the energy of the lamp is given  off as light and h=$6.6 \times 10^{-34}$ Js)


A) $3.6 \times 10^{13}$

B) $2.8 \times 10^{13}$

C) $2.5 \times 10^{13}$

D) $1.8 \times 10^{13}$



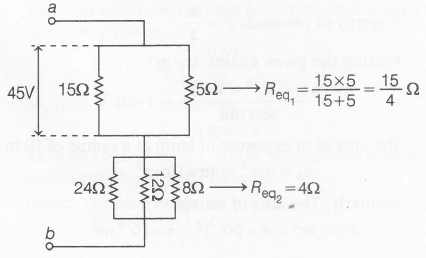
24.

Find the potential difference between a and b as shown in the below circuit

1172021219_p14.PNG


A) 165 V

B) 198 V

C) 213 V

D) 224 V



25.

A capacitor of capacitance 4$\mu$ F  is charged to a potential difference of 6 V with a battery. The battery is removed and in its place another capacitor of capacitance is 8$\mu$ F introduced and the circuit is closed. The potential difference attained by each of the capacitors in V is 


A) 2

B) 4

C) 6

D) 8



<<234567>>