12345>>
1.

A running man has half the kinetic energy of that of a boy of half of his mass. The man speeds up by 1m/s so as to have same K.E. as that of the boy. The original speed of the man will be


A) $\sqrt{2}$m/s

B) $\sqrt{2} -1$m/s

C) $\frac{1}{(\sqrt{2}-1)}$

D) $\frac{1}{(\sqrt{2})}$



2.

A metal disc of a radius of 100 cm is rotated at a constant angular speed of 60 rad/s in a plane at right angles to an external field of magnetic induction 0.05 Wb/m2. The emf induced between the centre and a point on the rim will be


A) 3 V

B) 1.5 V

C) 6 V

D) 9 V



3.

Consider the junction diode as ideal. The value of current fiowing through AB is

1342021907_477355.png


A) 0 A

B) $10^{-2}$ A

C) $10^{-1}$ A

D) $10^{-3}$ A



4.

A body cools from 50.0ºC to 49.9ºC in 5s. How long will it take to cool from 40.0ºC to 39.9ºC? Assume the temperature of surroundings to be 30.0ºC and Newton's law of cooling to be valid.


A) 2.5 s

B) 10 s

C) 20 s

D) 5 s



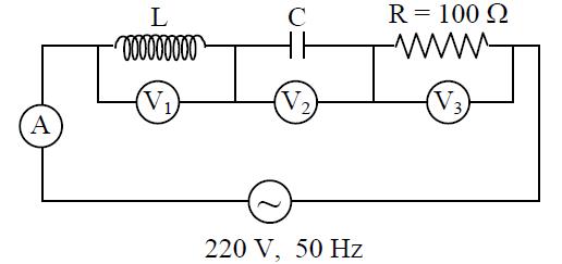
5.

In the given circuit the reading of voltmeter V1 and V2 are 300 volt each. The reading of the voltmeter V3 , and ammeter A are respectively

1242021911_68658.jpg


A) 150 V and 2.2A

B) 220V and 2.2A

C) 220V and 2.0 A

D) 100 V and 2.0 A



12345>>